上海柳智科技股份有限公司欢迎您的访问,联系电话:400-756-3318!
新闻动态
当前的位置:
射频导纳基准物位传感器系列——产品说明书

柳智射频导纳基准物位传感器通过突破性的射频导纳技术和抗挂污设计,解决了传统物位液位检测的精度、误报干扰、环境适应性和维护问题,是工业4.0时代新能源产业、食品饮料、石油化工、高端装备、轨道交通、环保领域等各种应用场景的物位液位测量的首选。

01


产品图示

图片
图片


02


产品特点

单点输出高频导纳测量与抗挂料设计解决物位检测的痛点,是工业4.0时代化工、食品、能源等行业的理想选择。

  1. 高精度设计:可靠的电路传感设计确保了传感器在高低温环境下稳定的抗挂污能力。

  2. 抗干扰设计:创新的电磁兼容设计确保了传感器在复杂电磁环境下优异的抗干扰能力。

  3. 免维护设计:无活动部件,传感器表面耐腐蚀材料减少清洁需求,降低运维成本。


03


技术参数

图片


04


使用说明

图片

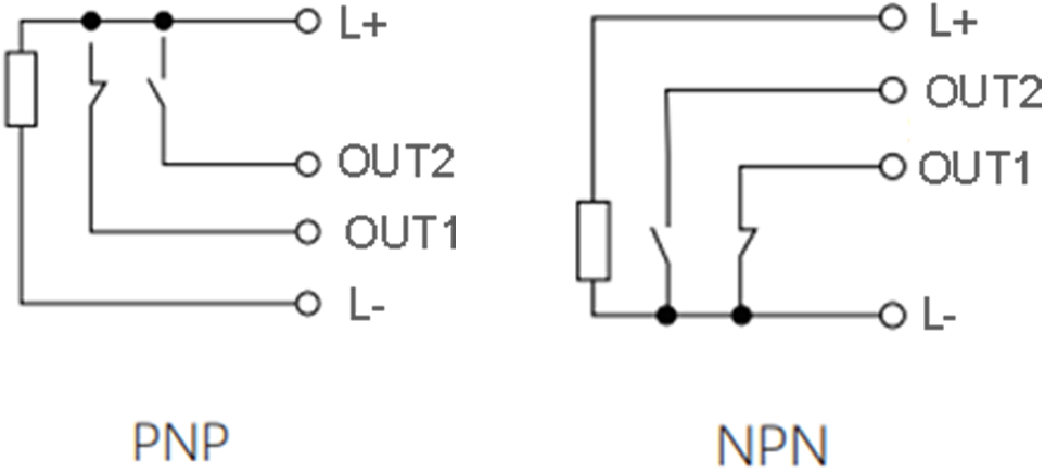
05


电气说明

图片
图片

接线图

图片


06


外型尺寸

图片



文章阅读